Энергокомплексы, дизельные генераторы и дизельные электростанции от производителя
Ростов-на-Дону
Малиновского, 3
Пн. - Пт. 9:00 - 18:00
8 (800) 250-75-89
8 (800) 250-75-89 +7 (863) 275-01-87
+7 (913) 455-16-82
rostov-na-donu@eag.su
Заказать звонок
Каталог изделий
Компания
  • О компании
  • Свидетельства
  • Партнеры
  • Отзывы
  • Карточка предприятия
Услуги
  • Проектирование
    • Проектирование дизель-генераторных установок (ДГУ)
    • Проектирование газопоршневых установок (ГПУ)
  • Сервисное обслуживание
    • Установка, ПНР и шефмонтаж дизель-генератора
    • Обучение
    • Гарантийное обслуживание
    • Техническое обслуживание
    • Диагностика и ремонт
    • Поставка запчастей, расходных материалов и комплектов ЗИП
  • Электроаудит и обследование объекта
  • Изготовление дизельных генераторов
  • Покупка ДГУ в лизинг
  • Доставка ДГУ в любой регион России
  • Сдача объекта заказчику
Документация
Аукцион
  • Библиотека ТЗ для торгов (аукцион, конкурс, котировка)
  • Самостоятельная подготовка ТЗ
Пресс-центр
  • Статьи
  • Электронные каталоги изделий и услуг
  • Новости
  • Видео
  • 3D - визуализация ДГУ
Проекты
  • Референс-лист
  • Горное дело
  • Нефть и газ
  • Сельское хозяйство
  • Социальная сфера
  • Строительная отрасль
  • Транспорт и связь
  • Энергетика
Контакты
    8 (800) 250-75-89
    8 (800) 250-75-89 +7 (863) 275-01-87
    +7 (913) 455-16-82
    rostov-na-donu@eag.su
    Пн. - Пт. 9:00 - 18:00
    Заказать звонок
    • Каталог изделий
      • Назад
      • Каталог изделий
      • Система мониторинга
      • Электростанции
        • Назад
        • Электростанции
        • Дизельные генераторы
          • Назад
          • Дизельные генераторы
          • Быстрый подбор по двигателю
            • Назад
            • Быстрый подбор по двигателю
            • Doosan
            • Cummins
            • Deutz
            • Mitsubishi
            • Scania
            • ЯМЗ
            • MTU
            • Perkins
            • пр-во КНР
            • Baudouin
            • Yuchai
            • Weichai
          • Быстрый подбор по мощности
            • Назад
            • Быстрый подбор по мощности
            • 20-100
            • 120-300
            • 315-600
            • 640-1000
            • 1100-5000
        • Опросный лист на изготовление генератора
        • Высоковольтные электростанции 6,3/10,5 кВ
        • Передвижные электростанции
      • Контейнеры / Кожухи
        • Назад
        • Контейнеры / Кожухи
        • Дизельные генераторы в контейнере
        • Дизельные генераторы в мини-контейнере
        • Дизельные генераторы в кожухе
        • Блочно-модульные здания для промышленного тяжеловесного оборудования (БМЗ)
      • Энергоцентры
        • Назад
        • Энергоцентры
        • Многоагрегатные энергокомплексы
        • Автоматизированный гибридный энергокомплекс (АГЭК)
      • Источники бесперебойного питания (ИБП)
    • Компания
      • Назад
      • Компания
      • О компании
      • Свидетельства
      • Партнеры
      • Отзывы
      • Карточка предприятия
    • Услуги
      • Назад
      • Услуги
      • Проектирование
        • Назад
        • Проектирование
        • Проектирование дизель-генераторных установок (ДГУ)
        • Проектирование газопоршневых установок (ГПУ)
      • Сервисное обслуживание
        • Назад
        • Сервисное обслуживание
        • Установка, ПНР и шефмонтаж дизель-генератора
        • Обучение
        • Гарантийное обслуживание
        • Техническое обслуживание
        • Диагностика и ремонт
        • Поставка запчастей, расходных материалов и комплектов ЗИП
      • Электроаудит и обследование объекта
      • Изготовление дизельных генераторов
      • Покупка ДГУ в лизинг
      • Доставка ДГУ в любой регион России
      • Сдача объекта заказчику
    • Документация
    • Аукцион
      • Назад
      • Аукцион
      • Библиотека ТЗ для торгов (аукцион, конкурс, котировка)
      • Самостоятельная подготовка ТЗ
    • Пресс-центр
      • Назад
      • Пресс-центр
      • Статьи
      • Электронные каталоги изделий и услуг
      • Новости
      • Видео
      • 3D - визуализация ДГУ
    • Проекты
      • Назад
      • Проекты
      • Референс-лист
      • Горное дело (12)
      • Нефть и газ (16)
      • Сельское хозяйство (10)
      • Социальная сфера (14)
      • Строительная отрасль (1)
      • Транспорт и связь (3)
      • Энергетика (4)
    • Контакты
    • Ростов-на-Дону
      • Назад
      • Города
      • Абакан
      • Адлер
      • Альметьевск
      • Ангарск
      • Апатиты
      • Астрахань
      • Ачинск
      • Балашиха
      • Барнаул
      • Белгород
      • Брянск
      • Владивосток
      • Волгоград
      • Воронеж
      • Домодедово
      • Екатеринбург
      • Ижевск
      • Иркутск
      • Казань
      • Кемерово
      • Киров
      • Краснодар
      • Красноярск
      • Курск
      • Липецк
      • Махачкала
      • Москва
      • Мурманск
      • Мытищи
      • Набережные Челны
      • Нижневартовск
      • Нижний Новгород
      • Нижний Тагил
      • Новокузнецк
      • Новосибирск
      • Новый Уренгой
      • Одинцово
      • Омск
      • Орел
      • Оренбург
      • Пенза
      • Пермь
      • Петропавловск-Камчатский
      • Ростов-на-Дону
      • Рязань
      • Самара
      • Санкт-Петербург
      • Саратов
      • Смоленск
      • Сочи
      • Ставрополь
      • Сургут
      • Сызрань
      • Тамбов
      • Тольятти
      • Томск
      • Тула
      • Тюмень
      • Улан-Удэ
      • Ульяновск
      • Уфа
      • Хабаровск
      • Химки
      • Челябинск
      • Чита
      • Якутск
      • Ярославль
    • +7 (800) 250-75-89
      • Назад
      • Телефоны
      • 8-800-250-75-89
      • +7 (863) 275-01-87
      • +7 (918) 555-01-87
      • Заказать звонок
    Малиновского, 3
    rostov-na-donu@eag.su
    • ТД Электроагрегат
    • Услуги
    • Проектирование

    Проектирование

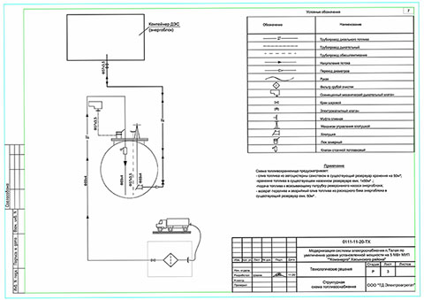
    Создание рабочего проекта СГЭ на базе ДГУ
    Проектирование дизель-генераторных установок (ДГУ)
    Проект по установке ДГУ необходим, чтобы превратить генерирующую установку в полноценный, безопасный и юридически легитимный энергоцентр.
    Без проекта возможны риски:
    • пожара, поражения электрическим током при неверном подключении кабельных линий, встречного включения ДГУ с сетевыми трансформаторами;
    • получения предписания от Ростехнадзора и штрафа за эксплуатацию энергоустановки без разрешительной документации (согласование проекта по подключению ДГУ в АО «РЭС»);
    • лишения гарантии на оборудование из-за неправильного подключения или получения убытков из-за невозможности запустить дизель-генераторную установку в момент реальной аварии.
    Подробнее
    Для установки на объекте дизельной или газопоршневой электростанции  необходим проект, чтобы превратить генерирующую установку в полноценный, безопасный и юридически легитимный энергоцентр.
    Без проекта возможны риски:
    • пожара, поражения электрическим током при неверном подключении кабельных линий, встречного включения генерирующей установки с сетевыми трансформаторами;
    • получения предписания от Ростехнадзора и штрафа за эксплуатацию энергоустановки без разрешительной документации (согласование проекта по подключению ДГУ в АО «РЭС»);
    • лишения гарантии на оборудование из-за неправильного подключения или получения убытков из-за невозможности запустить дизель-генераторную установку в момент реальной аварии.
    • Система мониторинга
    • Электростанции
      • Дизельные генераторы
        • Быстрый подбор по двигателю
          Doosan Cummins Deutz Mitsubishi Scania ЯМЗ MTU Perkins пр-во КНР Baudouin Yuchai Weichai
        • Быстрый подбор по мощности
          20-100 120-300 315-600 640-1000 1100-5000
        • Показать все дизельные генераторы
      • Опросный лист на изготовление генератора
      • Высоковольтные электростанции 6,3/10,5 кВ
      • Передвижные электростанции
    • Контейнеры / Кожухи
      • Дизельные генераторы в контейнере
      • Дизельные генераторы в мини-контейнере
      • Дизельные генераторы в кожухе
      • Блочно-модульные здания для промышленного тяжеловесного оборудования (БМЗ)
    • Энергоцентры
      • Многоагрегатные энергокомплексы
      • Автоматизированный гибридный энергокомплекс (АГЭК)
    • Источники бесперебойного питания (ИБП)
    • Проектирование
      • Проектирование дизель-генераторных установок (ДГУ)
    • Сервисное обслуживание
      • Установка, ПНР и шефмонтаж дизель-генератора
      • Обучение
      • Гарантийное обслуживание
      • Техническое обслуживание
      • Диагностика и ремонт
      • Поставка запчастей, расходных материалов и комплектов ЗИП
    • Электроаудит и обследование объекта
    • Изготовление дизельных генераторов
    • Покупка ДГУ в лизинг
    • Доставка ДГУ в любой регион России
    • Сдача объекта заказчику
    Компания
    О компании
    Свидетельства
    Партнеры
    Отзывы
    Карточка предприятия
    Услуги
    Проектирование
    Сервисное обслуживание
    Электроаудит и обследование объекта
    Изготовление дизельных генераторов
    Покупка ДГУ в лизинг
    Доставка ДГУ в любой регион России
    Сдача объекта заказчику
    Дополнительно
    Документация
    Аукцион
    Пресс-центр
    Проекты
    Каталог
    Система мониторинга
    Дизельные генераторы
    Высоковольтные генераторы
    Передвижные электростанции
    ДГУ в контейнере
    ДГУ в мини-контейнере
    ДГУ в кожухе
    БМЗ для промышленного оборудования
    Многоагрегатные энергокомплексы
    Гибридная электростанция
    Источники бесперебойного питания
    8 (800) 250-75-89 +7 (863) 275-01-87
    Пн. - Пт. 9:00 - 18:00
    rostov-na-donu@eag.su
    Ростов-на-Дону
    Малиновского, 3
    Дизельные генераторы и электростанции от новосибирского предприятия "Электроагрегат": 20 кВт, 24 кВт, 30 кВт, 32 кВт, 40 кВт, 50 кВт, 60 кВт, 64 кВт, 80 кВт, 100 кВт, 120 кВт, 130 кВт, 150 кВт, 160 кВт, 180 кВт, 200 кВт, 220 кВт, 240 кВт, 250 кВт, 260 кВт, 280 кВт, 300 кВт, 315 кВт, 320 кВт, 350 кВт, 360 кВт, 400 кВт, 450 кВт, 480 кВт, 500 кВт, 520 кВт, 540 кВт, 560 кВт, 600 кВт, 640 кВт, 720 кВт, 800 кВт, 900 кВт, 1000 кВт/1 МВт, 1100 кВт/1,1 МВт, 1120 кВт/1,12 МВт, 1200 кВт/1,2 МВт, 1320 кВт/1,32 МВт, 1400 кВт/1,4 МВт, 1450 кВт/1,45 МВт, 1500 кВт/1,5 МВт, 1600 кВт/1,6 МВт , 1640 кВт/1,64 МВт, 1800 кВт/1,8 МВт, 2000 кВт/2 МВт, 2200 кВт/2,2 МВт, 2400 кВт/2,4 МВт, 2500 кВт/2,5 МВт, 3000 кВт/3 МВт, 3500 кВт/3,5 МВт, 4000 кВт/4 МВт, 4500 кВт/4,5 МВт, 5000 кВт/5 МВт, 6000 кВт/6 МВт, 6500 кВт/6,5 МВт, 7000 кВт/7 МВт, 8000 кВт/8 МВт, 9000 кВт/9 МВт, 10000 кВт/10 МВт,
    © 2001—2026, ООО «ТД Электроагрегат». Все права защищены
    Разработка сайта - ITConstruct
    Карта сайта - Политика конфиденциальности